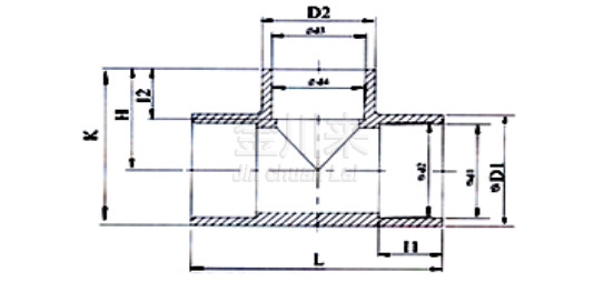
ANSI SCH80
|
Size |
D1 |
D2 |
d1 |
d2 |
I1 |
d3 |
d4 |
I2 |
L |
H |
K |
|
3/4″*3/4″*1/2″ |
35 |
30.5 |
26.87 |
26.57 |
27.4 |
21.54 |
21.23 |
24.22 |
85 |
38.5 |
56 |
|
1″*1″*1/2″ |
44 |
30.5 |
33.66 |
33.27 |
30.58 |
21.54 |
21.23 |
24.22 |
96 |
41 |
63 |
|
1″*1″*3/4″ |
44 |
35 |
33.66 |
33.27 |
30.58 |
26.87 |
26.57 |
27.4 |
96 |
44.5 |
66.5 |
|
1″*1″*2″ |
44 |
73 |
33.66 |
33.27 |
30.58 |
60.63 |
60.17 |
41.1 |
96 |
65 |
87 |
|
1-1/4″*1-1/4″*1/2″ |
54 |
30.5 |
42.42 |
42.04 |
34.75 |
21.54 |
21.23 |
24.22 |
115.5 |
44.5 |
71.5 |
|
1-1/4″*1-1/4″*3/4″ |
54 |
35 |
42.42 |
42.04 |
34.75 |
26.87 |
26.57 |
27.4 |
115.5 |
48 |
75 |
|
1-1/4″*1-1/4″*1″ |
54 |
44 |
42.42 |
42.04 |
34.75 |
33.66 |
33.27 |
30.58 |
115.5 |
52 |
79 |
|
1-1/2″*1-1/2″*1/2″ |
60 |
30.5 |
48.56 |
48.11 |
37.93 |
21.54 |
21.23 |
24.22 |
128 |
48.5 |
78.5 |
|
1-1/2″*1-1/2″*3/4″ |
60 |
35 |
48.56 |
48.11 |
37.93 |
26.87 |
26.57 |
27.4 |
128 |
52 |
82 |
|
1-1/2″*1-1/2″*1″ |
60 |
44 |
48.56 |
48.11 |
37.93 |
33.66 |
33.27 |
30.58 |
128 |
55.5 |
85.5 |
|
1-1/2″*1-1/2″*1-1/4″ |
60 |
54 |
48.56 |
48.11 |
37.93 |
42.42 |
42.04 |
34.75 |
128 |
60 |
90 |
|
2″*2″*1/2″ |
75 |
30.5 |
60.63 |
60.17 |
41.1 |
21.54 |
21.23 |
24.22 |
146 |
54 |
91.5 |
|
2″*2″*3/4″ |
75 |
35 |
60.63 |
60.17 |
41.1 |
26.87 |
26.57 |
27.4 |
146 |
57.5 |
95 |
|
2″*2″*1″ |
75 |
44 |
60.63 |
60.17 |
41.1 |
33.66 |
33.27 |
30.58 |
146 |
60.5 |
98 |
|
2″*2″*1-1/4″ |
75 |
54 |
60.63 |
60.17 |
41.1 |
42.42 |
42.04 |
34.75 |
146 |
65 |
102.5 |
|
2″*2″1-1/2″ |
75 |
60 |
60.63 |
60.17 |
41.1 |
48.56 |
48.11 |
37.93 |
146 |
69 |
106.5 |
|
2-1/2″*2-1/2″*1″ |
89 |
54 |
73.38 |
72.85 |
47.45 |
33.66 |
33.27 |
30.58 |
171 |
67.5 |
112 |
|
2-1/2″*2-1/2″*1-1/4″ |
89 |
56 |
73.38 |
72.85 |
47.45 |
42.42 |
42.04 |
34.75 |
171 |
72 |
117.5 |
|
2-1/2″*2-1/2″*1-1/2″ |
89 |
60 |
73.38 |
72.85 |
47.45 |
48.56 |
48.11 |
37.93 |
171 |
75 |
119.5 |
|
2-1/2″*2-1/2″*2″ |
89 |
73 |
73.38 |
72.85 |
47.45 |
60.63 |
60.17 |
41.1 |
171 |
79 |
123.5 |
|
3″*3″*1″ |
105 |
44 |
89.31 |
88.7 |
50.63 |
33.66 |
33.27 |
30.58 |
196 |
83 |
135.5 |
|
3″*3″*1-1/2″ |
105 |
60 |
89.31 |
88.7 |
50.63 |
48.56 |
48.11 |
37.93 |
196 |
87 |
139.5 |
|
3″*3″*2″ |
105 |
73 |
89.31 |
88.7 |
50.63 |
60.63 |
60.17 |
41.1 |
196 |
95 |
147.5 |
|
3″*3″2-1/2″ |
105 |
89 |
89.31 |
88.7 |
50.63 |
73.83 |
72.85 |
47.45 |
196 |
95 |
147.5 |
|
4″*4″*1″ |
132 |
44 |
114.76 |
114.07 |
60.15 |
33.66 |
33.27 |
30.58 |
238 |
90 |
156 |
|
4″*4″1-1/2″ |
132 |
44 |
114.76 |
114.07 |
60.15 |
48.56 |
48.11 |
37.93 |
238 |
97 |
163 |
|
4″*4″*2″ |
132 |
73 |
114.76 |
114.07 |
60.15 |
60.63 |
60.17 |
41.11 |
238 |
97 |
163 |
|
4″*4″*2-1/2″ |
132 |
89 |
114.76 |
114.07 |
60.15 |
73.38 |
72.85 |
47.45 |
238 |
104 |
170.5 |
|
4″*4″*3″ |
132 |
105 |
114.76 |
114.07 |
60.15 |
89.31 |
88.71 |
50.63 |
238 |
110 |
176 |
|
5″*5″*2″ |
163 |
74 |
141.81 |
141.04 |
70 |
60.63 |
60.17 |
41.1 |
298 |
114.5 |
196 |
|
6″*6″*2″ |
191 |
75 |
168.83 |
168 |
79.2 |
60.63 |
60.17 |
41.1 |
338 |
130 |
225.5 |
|
6″*6″*4″ |
191 |
132 |
168.83 |
168 |
79.2 |
114.76 |
114.07 |
60.15 |
338 |
145 |
240.5 |
|
8″*8″*2″ |
248 |
74 |
219.84 |
218.7 |
104.6 |
60.63 |
60.17 |
41.11 |
439 |
151 |
275 |
|
8″*8″*3″ |
248 |
105 |
219.84 |
218.7 |
104.6 |
89.3 |
88.7 |
50.63 |
439 |
160 |
284 |
|
8″*8″*4″ |
248 |
105 |
219.84 |
218.7 |
104.6 |
114.76 |
114.07 |
60.15 |
439 |
170 |
294 |
|
8″*8″*6″ |
248 |
191 |
219.84 |
218.7 |
104.6 |
168.83 |
168 |
79.2 |
439 |
194 |
318 |
|
10″*10″*2″ |
307 |
74 |
273.81 |
272.67 |
130 |
60.63 |
60.17 |
41.1 |
560 |
185 |
338.5 |
|
10″*10″*3″ |
307 |
107 |
273.81 |
272.67 |
130 |
89.31 |
88.31 |
50.6 |
560 |
194 |
347.5 |
|
10″*10″*4″ |
307 |
134 |
273.81 |
272.67 |
130 |
114.76 |
114.07 |
60.2 |
560 |
205 |
358.5 |
|
10″*10″*6″ |
307 |
193 |
273.81 |
272.67 |
130 |
168.83 |
168 |
79.2 |
560 |
225 |
378.5 |
|
10″*10″*8″ |
307 |
248 |
273.81 |
272.67 |
130 |
219.84 |
218.69 |
104.4 |
560 |
250 |
403.5 |
|
12″*12″*2″ |
364 |
74 |
324.61 |
323.47 |
155 |
60.63 |
60.17 |
41.1 |
660 |
215 |
397 |
|
12″*12″*3″ |
364 |
107 |
324.61 |
323.47 |
155 |
89.31 |
88.31 |
50.6 |
660 |
225 |
407 |
|
12″*12″*4″ |
364 |
136 |
324.61 |
323.47 |
155 |
114.76 |
144.07 |
60.2 |
660 |
235 |
417 |
|
12″*12″*6″ |
364 |
195 |
324.61 |
323.47 |
155 |
168.83 |
168 |
79.2 |
660 |
255 |
437 |
|
12″*12″*8″ |
364 |
248 |
324.61 |
323.47 |
155 |
219.84 |
218.69 |
104.4 |
660 |
280 |
462 |
|
12″*12″*10″ |
364 |
308 |
324.61 |
323.47 |
155 |
273.81 |
272.67 |
130 |
660 |
305 |
487 |
|
14″*14″*4″ |
396.5 |
136 |
356.49 |
355.22 |
180 |
114.76 |
114.07 |
60.2 |
856 |
288 |
480 |
|
14″*14″*6″ |
396.5 |
195 |
356.49 |
355.22 |
180 |
168.83 |
168 |
79.2 |
856 |
308 |
500 |
|
14″*14″*8″ |
396.5 |
248 |
356.49 |
355.22 |
180 |
219.84 |
218.69 |
104.4 |
856 |
337 |
529 |
|
14″*14″*10″ |
396.5 |
308 |
356.49 |
355.22 |
180 |
273.81 |
272.67 |
130 |
856 |
362 |
554 |
|
14″*14″*12″ |
396.5 |
364 |
356.49 |
355.22 |
180 |
324.6 |
323.5 |
155 |
856 |
386 |
578 |
GB PN10/DIN PN16
|
Size |
∮d1 |
∮d2 |
∮d3 |
∮d4 |
∮d |
∮do |
∮D |
∮D1 |
I |
I1 |
L |
H |
|
25X20 |
25.3 |
24.9 |
20.3 |
19.9 |
22 |
17 |
32.2 |
26 |
19 |
16 |
65 |
29.5 |
|
32X20 |
32.3 |
31.9 |
20.3 |
19.9 |
28 |
17 |
41 |
26 |
22 |
16 |
80 |
34 |
|
32X25 |
32.3 |
31.9 |
25.3 |
24.9 |
28 |
22 |
41 |
32.2 |
22 |
19 |
80 |
37 |
|
40X20 |
40.3 |
39.9 |
20.3 |
19.9 |
35 |
17 |
50.8 |
26 |
26 |
16 |
96 |
38 |
|
40X25 |
40.3 |
39.9 |
25.3 |
24.9 |
35 |
22 |
50.8 |
32.2 |
26 |
19 |
96 |
41 |
|
40X32 |
40.3 |
39.9 |
32.3 |
31.9 |
35 |
28 |
50.8 |
41 |
26 |
22 |
96 |
44 |
|
50X20 |
50.3 |
49.9 |
20.3 |
19.9 |
44 |
17 |
63.4 |
26 |
31 |
16 |
116 |
43 |
|
50X25 |
50.3 |
49.9 |
25.3 |
24.9 |
44 |
22 |
63.4 |
32.2 |
31 |
19 |
116 |
46 |
|
50X32 |
50.3 |
49.9 |
32.3 |
31.9 |
44 |
28 |
63.4 |
41 |
31 |
22 |
116 |
49 |
|
50X40 |
50.3 |
49.9 |
40.3 |
39.9 |
44 |
35 |
63.4 |
50.8 |
31 |
26 |
116 |
53 |
|
63X20 |
63.3 |
62.9 |
20.3 |
19.9 |
56 |
17 |
79.6 |
26 |
38 |
16 |
143 |
49.5 |
|
63X25 |
63.3 |
62.9 |
25.3 |
24.9 |
56 |
22 |
79.6 |
32.2 |
38 |
19 |
143 |
52.5 |
|
63X32 |
63.3 |
62.9 |
32.3 |
31.9 |
56 |
28 |
79.6 |
41 |
38 |
22 |
143 |
55.5 |
|
63X40 |
63.3 |
62.9 |
40.3 |
39.9 |
56 |
35 |
79.6 |
50.8 |
38 |
26 |
143 |
59.5 |
|
63X50 |
63.3 |
62.9 |
50.3 |
49.9 |
56 |
44 |
79.6 |
63.4 |
38 |
31 |
143 |
64.5 |
|
75X32 |
75.35 |
74.9 |
32.3 |
31.9 |
73.5 |
28 |
95 |
41 |
44 |
22 |
168 |
62 |
|
75X40 |
75.35 |
74.9 |
40.3 |
39.9 |
73.5 |
35 |
95 |
50.8 |
44 |
26 |
168 |
66 |
|
75X50 |
75.35 |
74.9 |
50.3 |
49.9 |
73.5 |
44 |
95 |
63.4 |
44 |
31 |
168 |
71 |
|
75X63 |
75.35 |
74.9 |
63.3 |
62.9 |
73.5 |
56 |
95 |
79.6 |
44 |
38 |
168 |
78 |
|
90X32 |
90.5 |
89.9 |
32.3 |
31.9 |
87 |
28 |
114 |
41 |
51 |
22 |
198 |
70 |
|
90X40 |
90.5 |
89.9 |
40.3 |
39.9 |
87 |
35 |
114 |
50.8 |
51 |
26 |
198 |
74 |
|
90X50 |
90.5 |
89.9 |
50.3 |
49.9 |
87 |
44 |
114 |
63.4 |
51 |
31 |
198 |
79 |
|
90X63 |
90.5 |
89.9 |
63.3 |
62.9 |
87 |
56 |
114 |
79.6 |
51 |
38 |
198 |
86 |
|
90X75 |
90.5 |
89.9 |
75.35 |
74.9 |
87 |
73.5 |
114 |
95 |
51 |
44 |
198 |
92 |
|
110X32 |
110.6 |
109.9 |
32.3 |
31.9 |
108 |
28 |
135 |
41 |
61 |
22 |
238 |
80 |
|
110X50 |
110.6 |
109.9 |
50.3 |
49.9 |
108 |
44 |
135 |
63.4 |
61 |
31 |
238 |
89 |
|
110X63 |
110.6 |
109.9 |
63.3 |
62.9 |
108 |
56 |
135 |
79.6 |
61 |
38 |
238 |
96 |
|
110X75 |
110.6 |
109.9 |
75.35 |
74.9 |
108 |
73.5 |
135 |
95 |
61 |
44 |
238 |
102 |
|
110X90 |
110.6 |
109.9 |
90.5 |
89.9 |
108 |
87 |
135 |
114 |
61 |
51 |
238 |
109 |
|
140X63 |
140.85 |
140.05 |
63.3 |
62.9 |
136 |
56 |
163 |
79.6 |
76 |
38 |
298 |
111 |
|
160X63 |
160.85 |
160.05 |
63.3 |
62.9 |
158.4 |
56 |
186 |
79.6 |
86 |
38 |
338 |
121 |
|
160X75 |
160.85 |
160.05 |
75.35 |
74.9 |
158.4 |
73.5 |
186 |
95 |
86 |
44 |
338 |
127 |
|
160X90 |
160.85 |
160.05 |
90.5 |
89.9 |
158.4 |
87 |
186 |
114 |
86 |
51 |
338 |
134 |
|
160X110 |
160.85 |
160.05 |
110.6 |
109.9 |
158.4 |
108 |
186 |
135 |
86 |
61 |
338 |
144 |
|
160X140 |
160.85 |
160.05 |
140.85 |
140.05 |
158.4 |
136 |
186 |
163 |
86 |
76 |
338 |
160 |
|
225X90 |
226.25 |
225.05 |
90.5 |
89.9 |
223 |
87 |
261 |
114 |
119 |
51 |
469 |
166.5 |
|
225X110 |
226.25 |
225.05 |
110.6 |
109.9 |
223 |
108 |
261 |
135 |
119 |
61 |
469 |
176.5 |
|
225X140 |
226.25 |
225.05 |
140.85 |
140.05 |
223 |
136 |
261 |
163 |
119 |
76 |
469 |
192.5 |
|
225X160 |
226.25 |
225.05 |
160.85 |
160.05 |
223 |
158.4 |
261 |
186 |
119 |
86 |
469 |
201.5 |
|
250X110 |
251.45 |
250.05 |
110.6 |
109.9 |
239 |
108 |
290 |
135 |
131 |
61 |
518 |
195.5 |
|
250X140 |
251.45 |
250.05 |
140.85 |
140.05 |
239 |
136 |
290 |
163 |
131 |
76 |
518 |
210.5 |
|
250X160 |
251.45 |
250.05 |
160.85 |
160.05 |
239 |
158.4 |
290 |
186 |
131 |
86 |
518 |
220.5 |
|
250X225 |
251.45 |
250.05 |
226.25 |
225.05 |
239 |
223 |
290 |
261 |
131 |
119 |
518 |
255.5 |
|
315X110 |
316.85 |
315.05 |
110.6 |
109.9 |
304 |
108 |
364 |
135 |
163 |
61 |
652 |
228 |
|
315X140 |
316.85 |
315.05 |
140.85 |
140.05 |
304 |
136 |
364 |
163 |
163 |
76 |
652 |
243 |
|
315X160 |
316.85 |
315.05 |
160.85 |
160.05 |
304 |
158.4 |
364 |
186 |
163 |
86 |
652 |
253 |
|
315X225 |
316.85 |
315.05 |
226.25 |
225.05 |
304 |
223 |
364 |
261 |
163 |
119 |
652 |
286 |
|
315X250 |
316.85 |
315.05 |
251.45 |
250.05 |
304 |
239 |
364 |
290 |
163 |
131 |
652 |
298 |



