ANSI SCH80
|
size |
Outside Dia |
Socket Type |
Structural Diameter |
|||||
|
Size |
D1 |
d1 |
d2 |
I |
B |
d |
L |
L1 |
|
1/2″*1/4″ |
21.34 |
14.02 |
13.61 |
19 |
30 |
10 |
29 |
23 |
|
1/2″*3/8″ |
21.34 |
17.04 |
17.45 |
22 |
30 |
12 |
29 |
23 |
|
3/4″*1/2″ |
26.67 |
21.54 |
21.23 |
24 |
30 |
13 |
33 |
27 |
|
1″-3/8″ |
33.4 |
17.45 |
17.04 |
22 |
36 |
12 |
38 |
30 |
|
1″*1/2″ |
33.4 |
21.54 |
21.23 |
24 |
36 |
16 |
38 |
30 |
|
1″*3/4″ |
33.4 |
26.87 |
26.57 |
28 |
36 |
18 |
38 |
30 |
|
1-1/4″*1/2″ |
42.16 |
21.54 |
21.23 |
24.22 |
46 |
16 |
44 |
35 |
|
1-1/4″*3/4″ |
42.16 |
26.87 |
26.57 |
27.4 |
46 |
22 |
44 |
35 |
|
1-1/4″*1″ |
42.16 |
33.66 |
33.27 |
30.58 |
46 |
28 |
44 |
35 |
|
1-1/2″*1/2″ |
48.26 |
21.54 |
21.23 |
24.22 |
55 |
16 |
47 |
38 |
|
1-1/2″*3/4″ |
48.26 |
26.87 |
26.57 |
27.4 |
55 |
22 |
47 |
38 |
|
1-1/2″*1″ |
48.26 |
33.66 |
33.27 |
30.58 |
55 |
28 |
47 |
38 |
|
1-1/2″*1-1/4″ |
48.26 |
42.42 |
42.04 |
34.75 |
55 |
35 |
47 |
38 |
|
2″*1/2″ |
60.33 |
21.54 |
21.23 |
24.22 |
70 |
16 |
52 |
42 |
|
2″*3/4″ |
60.33 |
26.87 |
26.57 |
27.4 |
70 |
22 |
52 |
42 |
|
2″*1″ |
60.33 |
33.66 |
33.27 |
30.58 |
70 |
28 |
52 |
42 |
|
2″*1-1/4″ |
60.33 |
42.42 |
42.04 |
34.75 |
70 |
35 |
52 |
42 |
|
2″*1-1/2″ |
60.33 |
48.56 |
48.11 |
37.93 |
70 |
43 |
52 |
42 |
|
2-1/2″*1-1/2″ |
73.03 |
48.56 |
48.11 |
37.93 |
80 |
43 |
60 |
48.45 |
|
2-1/2″*2″ |
73.03 |
60.63 |
60.17 |
41.1 |
80 |
54 |
60 |
48.45 |
|
3″*1-1/2″ |
88.9 |
48.56 |
48.11 |
37.93 |
80 |
54 |
60 |
48.45 |
|
3″*2″ |
88.9 |
60.63 |
60.17 |
41.1 |
99 |
54 |
65 |
51 |
|
3″*2-1/2″ |
88.9 |
73.38 |
72.85 |
47.45 |
99 |
65 |
65 |
51 |
|
4″*2″ |
114.3 |
60.63 |
60.17 |
41.1 |
125 |
54 |
75 |
60.5 |
|
4″*2-1/2″ |
114.3 |
73.38 |
72.85 |
47.45 |
125 |
65 |
75 |
60.5 |
|
4″*3″ |
114.3 |
89.31 |
88.7 |
50.63 |
125 |
80 |
75 |
60.5 |
|
5″*4″ |
114.30 |
114.76 |
114.07 |
60.15 |
150 |
100 |
84 |
69.5 |
|
6″*3″ |
168.28 |
89.31 |
88.7 |
50.6 |
180 |
80 |
90 |
76.5 |
|
6″*4″ |
168.28 |
114.76 |
114.07 |
60.15 |
180 |
100 |
90 |
76.5 |
|
6″*5″ |
168.28 |
141.81 |
141.04 |
69.66 |
180 |
125 |
90 |
76.5 |
|
8″*4″ |
219.1 |
114.76 |
114.07 |
60.5 |
280 |
80 |
148 |
130 |
|
8″*6″ |
219.1 |
168.83 |
168 |
79 |
235 |
150 |
120 |
104.6 |
|
10″*3″ |
273.05 |
89.31 |
88.7 |
50.6 |
280 |
80 |
148 |
130 |
|
10″*4″ |
273.05 |
114.76 |
114.07 |
105 |
280 |
105 |
148 |
130 |
|
10″*6″ |
273.05 |
168.83 |
168 |
79 |
290 |
150 |
148 |
130 |
|
10″*8″ |
273.05 |
219.84 |
218.69 |
105 |
290 |
200 |
148 |
130 |
|
12″*4″ |
323.85 |
114.76 |
114.07 |
60.2 |
330 |
100 |
175 |
155 |
|
12″*6″ |
323.85 |
168.83 |
168 |
79.2 |
330 |
150 |
175 |
155 |
|
12″*8″ |
323.85 |
223.81 |
222.89 |
105 |
330 |
200 |
175 |
155 |
|
12″*10″ |
323.85 |
273.81 |
272.67 |
130 |
330 |
245 |
175 |
155 |
GB PN10/DIN PN16
|
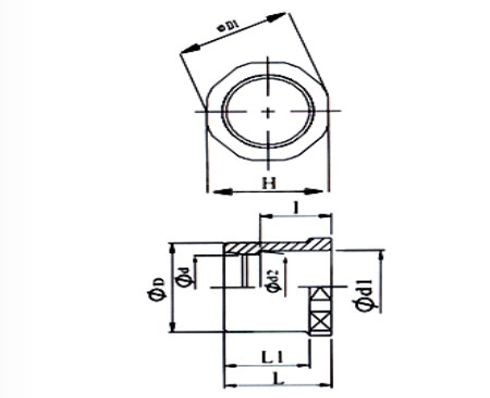
Size Nom |
∮d1 |
∮d2 |
∮d |
∮D |
∮D1 |
I |
L |
L1 |
H |
|
25X20 |
25.3 |
24.9 |
16 |
25 |
28 |
16 |
24 |
19 |
27 |
|
32X20 |
32.3 |
31.9 |
16 |
32 |
36.5 |
16 |
28 |
22 |
35 |
|
32X25 |
32.3 |
31.9 |
20 |
32 |
36.5 |
19 |
28 |
22 |
35 |
|
40X20 |
40.3 |
39.9 |
16 |
40 |
45 |
16 |
34 |
26 |
43 |
|
40X25 |
40.3 |
39.9 |
20 |
40 |
45 |
19 |
34 |
26 |
43 |
|
40X32 |
40.3 |
39.9 |
27 |
40 |
45 |
22 |
34 |
26 |
43 |
|
50X20 |
50.3 |
49.9 |
16 |
50 |
55 |
16 |
40 |
31 |
53 |
|
50X25 |
50.3 |
49.9 |
20 |
50 |
55 |
19 |
40 |
31 |
53 |
|
50X32 |
50.3 |
49.9 |
27 |
50 |
55 |
22 |
40 |
31 |
53 |
|
50X40 |
50.3 |
49.9 |
34 |
50 |
55 |
26 |
40 |
31 |
53 |
|
63X20 |
63.3 |
62.9 |
16 |
63 |
70 |
16 |
48 |
38 |
67 |
|
63X25 |
63.3 |
62.9 |
20 |
63 |
70 |
19 |
48 |
38 |
67 |
|
63X32 |
63.3 |
62.9 |
27 |
63 |
70 |
22 |
48 |
38 |
67 |
|
63X40 |
63.3 |
62.9 |
34 |
63 |
70 |
26 |
48 |
38 |
67 |
|
63X50 |
63.3 |
62.9 |
44 |
63 |
70 |
31 |
48 |
38 |
67 |
|
75X32 |
75.35 |
74.9 |
27 |
75 |
84 |
22 |
55 |
44 |
80 |
|
75X40 |
75.35 |
74.9 |
34 |
75 |
84 |
26 |
55 |
44 |
80 |
|
75X50 |
75.35 |
74.9 |
44 |
75 |
84 |
31 |
55 |
44 |
80 |
|
75X63 |
75.35 |
74.9 |
57 |
75 |
84 |
38 |
55 |
44 |
80 |
|
90X32 |
90.5 |
89.9 |
27 |
90 |
99 |
22 |
62 |
51 |
95 |
|
90X40 |
90.5 |
89.9 |
34 |
90 |
99 |
26 |
62 |
51 |
95 |
|
90X50 |
90.5 |
89.9 |
44 |
90 |
99 |
31 |
62 |
51 |
95 |
|
90X63 |
90.5 |
89.9 |
57 |
90 |
99 |
38 |
62 |
51 |
95 |
|
90X75 |
90.5 |
89.9 |
71 |
90 |
99 |
44 |
62 |
51 |
95 |
|
110X50 |
110.6 |
109.9 |
44 |
110 |
120 |
31 |
73 |
61 |
115 |
|
110X63 |
110.6 |
109.9 |
57 |
110 |
120 |
38 |
73 |
61 |
115 |
|
110X75 |
110.6 |
109.9 |
71 |
110 |
120 |
44 |
73 |
61 |
115 |
|
110X90 |
110.6 |
109.9 |
86 |
110 |
120 |
51 |
73 |
61 |
115 |
|
140X110 |
140.85 |
140.05 |
106 |
140 |
150 |
61 |
90 |
76 |
145 |
|
160X63 |
160.85 |
160.05 |
57 |
160 |
175 |
38 |
101 |
86 |
165 |
|
160X75 |
160.85 |
160.05 |
71 |
160 |
175 |
44 |
101 |
86 |
165 |
|
160X90 |
160.85 |
160.05 |
86 |
160 |
175 |
51 |
101 |
86 |
165 |
|
160X110 |
160.85 |
160.05 |
106 |
160 |
175 |
61 |
101 |
86 |
165 |
|
160X140 |
160.85 |
160.05 |
136 |
160 |
175 |
76 |
101 |
86 |
165 |
|
225X90 |
226.25 |
225.05 |
86 |
225 |
250 |
51 |
110 |
95 |
240 |
|
225X110 |
226.25 |
225.05 |
106 |
225 |
250 |
61 |
110 |
95 |
240 |
|
225X140 |
226.25 |
225.05 |
136 |
225 |
250 |
76 |
110 |
95 |
240 |
|
225X160 |
226.25 |
225.05 |
158.4 |
225 |
250 |
86 |
110 |
95 |
240 |
|
250X110 |
251.45 |
250.05 |
106 |
250 |
275 |
51 |
149 |
131 |
266 |
|
250X140 |
251.45 |
250.05 |
136 |
250 |
275 |
76 |
149 |
131 |
266 |
|
250X160 |
251.45 |
250.05 |
158.4 |
250 |
275 |
86 |
149 |
131 |
266 |
|
250X225 |
251.45 |
250.05 |
203.9 |
250 |
275 |
119 |
149 |
131 |
266 |
|
315X110 |
316.85 |
315.05 |
106 |
315 |
340 |
51 |
184 |
164 |
325 |
|
315X140 |
316.85 |
315.05 |
136 |
315 |
340 |
76 |
184 |
164 |
325 |
|
315X160 |
316.85 |
315.05 |
158.4 |
315 |
340 |
186 |
184 |
164 |
325 |
|
315X225 |
316.85 |
315.05 |
203.9 |
315 |
340 |
119 |
184 |
164 |
325 |
|
315X250 |
316.85 |
315.05 |
239 |
315 |
340 |
131 |
184 |
164 |
325 |



